阿斯巴達生醫股份有限公司的最新公告 Banner圖片

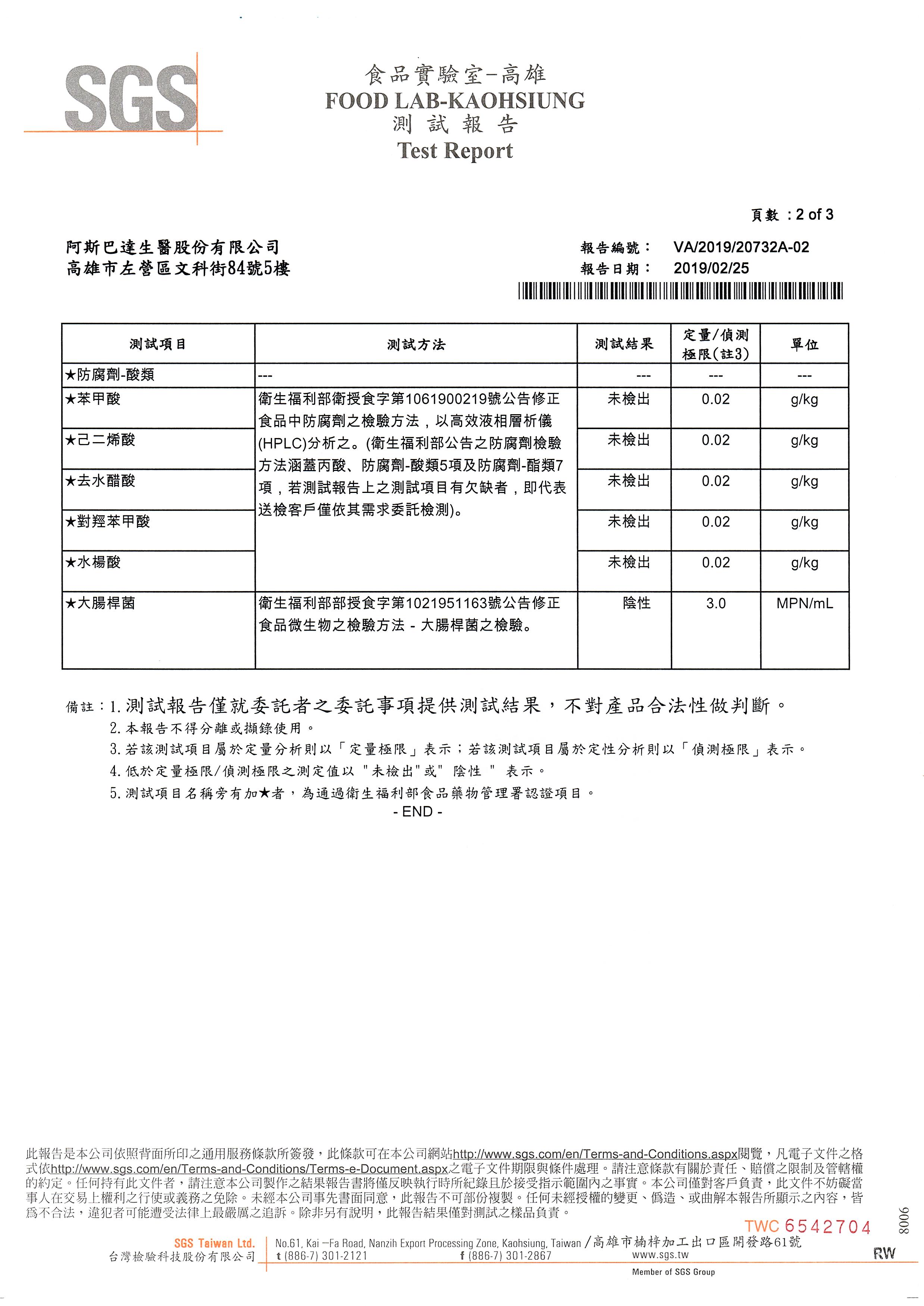
不含防腐劑 大腸桿菌

用LINE傳送

2020-05-11


不含防腐劑 大腸桿菌


您有任何想詢問的問題嗎?